Распродажа! Цены пополам! >>> sale6.zip
Продаем стол универсальный
с комплектом шинообрабатывающего
оборудования СШО (КВТ)
Светильник консольный "Селена"

|
Напряжение, В:
|
220 ± 10% |
|
Номинальная частота, Гц:
|
50 |
|
Климатическое исполнение:
|
У1, ХЛ1 |
|
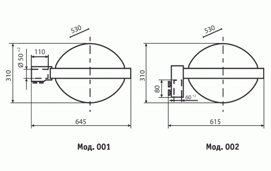
Габаритные размеры:
|
|
Назначение
Освещение улиц, дорог, площадей, АЗС, железнодорожных станций
и платформ, территорий дворов, школ и детских садов.
и платформ, территорий дворов, школ и детских садов.
Преимущества
- Светильник имеет оригинальный дизайн
- Основание и корпус не подвержены коррозии
- Защитное стекло не изменяет параметров под воздействием ультрафиолета
- ПРА установлен на отдельной панели и легко заменяется
- Отражатель легко откидывается без применения инструментов
- Светильник прост и удобен в эксплуатации
Установка и обслуживание
- Светильники мод. 001 рекомендуется устанавливать на Г-образных кронштейнах опор под углом 15 - 20° к горизонту. Диаметр трубы оголовника кронштейна 48 мм. Высота установки 6 - 8 м
- Светильники мод. 002 - на вертикальную трубу опоры диаметром 60 мм. Высота установки 6 - 8 м
- Для замены лампы необходимо вывернуть на несколько витков три винта, которые удерживают скобы, соединяющие защитное стекло с алюминиевым кольцом. Повернуть скобы на 90°. Защитное стекло примет вертикальное положение. Это обеспечит свободный доступ к оптическому отсеку и лампе с патроном
- Для технического обслуживания светильника необходимо вывернуть на несколько витков три винта, которые удерживают скобы, соединяющие защитное стекло с алюминиевым кольцом. Повернуть скобы на 90°. Защитное стекло примет вертикальное положение. Отвернуть три специальных винта, соединяющих отражатель с алюминиевым кольцом. Отражатель примет вертикальное положение. Это обеспечит свободный доступ к элементам ПРА
- Сборку светильника производить в обратной последовательности
Конструкция
- Корпус изготовлен из листового алюминия
- Кольцо изготовлено из алюминиевого сплава
- Консоль для исполнения мод. 001 из алюминиевого сплава
- Узел установки для исполнения мод. 002 - труба и пластина из стали
- Отражатель изготовлен из алюминиевого проката высокой чистоты с последующей электрохимической полировкой и анодированием
- Защитное стекло из светостабилизированного полиметилметакрилата
- Патрон установлен на отражателе
- ПРА установлен на панели-отражателе
- Уплотняющая прокладка из войлока.
- Мод. 001 - для установки на Г-образный кронштейн
- Мод. 002 - для установки на торшерную опору

| Наименование | Тип лампы | Номинальная мощность, Вт | Патрон | КПД, % (не менее); | Максимальный коэффициент использования по освещенности | Тип кривой силы света (КСС); | Степень защиты | Масса, кг (не более); |
|
ГКУ28-70-001/002
|
ДРИ | 70 | Е27 | 70 | 0,35 | широкая осевая | IP54 | 11,4 |
|
ГКУ28-100-001/002
|
ДРИ | 100 | Е27 | 70 | 0,35 | широкая осевая | IP54 | 11,6 |
|
ГКУ28-150-001/002
|
ДРИ | 150 | Е27 | 70 | 0,35 | широкая осевая | IP54 | 11,7 |
|
ЖКУ28-70-001
|
ДНаТ | 70 | Е27 | 70 | 0,34 | широкая осевая | IP54 | 11,4 |
|
ЖКУ28-100-001/002
|
ДНаТ | 100 | Е40 | 70 | 0,34 | широкая осевая | IP54 | 11,6 |
|
ЖКУ28-150-001
|
ДНаТ | 150 | Е40 | 70 | 0,34 | широкая осевая | IP54 | 11,7 |
|
РКУ28-80-001
|
ДРЛ | 80 | Е27 | 68 | 0,34 | широкая осевая | IP54 | 11,1 |
|
РКУ28-125-001/002
|
ДРЛ | 125 | Е27 | 68 | 0,34 | широкая осевая | IP54 | 11,2 |

